Екстра е, а зъбните колела от какво са ?
Щото аз стигнах до извода че едва ли не от тях трябва да се започне, защото иначе няма как да напаснеш валовете.
Модератор: Martin








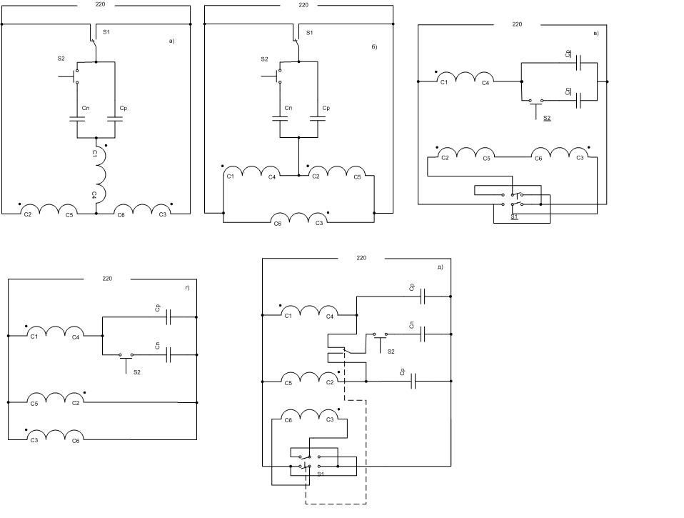
а) Соединение классической звездой достоинства простота подключения и реверсирования. Кроме того возможно добится относительной симметричности токов в обмотках.
Еще одно достоинство почти невозможно спалить исправный двигатель. На этом достоинства заканчиваются и начинаются недостатки. Двигатель развивает только треть
номинальной мощности и как следствие только треть момента и точка. Большего от него не добиться. Применение возможно при сильной недогрузке двигателя
(вентилятор какой собрать или еще что подобное). Пусковой момент можно получить близкий к номинальному (номинальному тому который стал, не который должен быть так что чуда не будет)
рабочая емкость конденсатора Ср равна Ср=2780*(Iф/Uф). Коэффициент 2780 часто округляют до 2800 что ниначто не влияет. Iф - ток фазы двигателя указанный на шильдике
(тот который для 380) Uф - фазное напряжение для нас 220в. Емкость Сп выбирается как 2.5-3*Ср. Напряжение на конденсаторе не более 1.2*Uф для нас это значит ~270в.
однако это дествующее значение напряжения, амплитудное будет ~380в (Arty, спорить на эту тему не буду конденсаторы жалко ). Следовательно конденсатор должен быть расчитан хотя бы на 350в. Если он бумажный то выдержит
и в случае если недогруза сильного не будет можно поставить на 300в, ибо под нагрузкой напряжение на конденсаторе снижается.
б) Соединение треугольником достоинства обмотки работают на номинальном напряжении и теоретически можно выкачать из двигателя мощность близкую к номинальной
однако практически больше 70% пролучить проблемотично. На этом достоинства схемы исчерпываются. А вот недостатков куча, пусковой момент не более 0.3-0.4 от номинального, здоровенный кондесатор симметрия токов в обмотках практически исключается (добиться тяжело и ненадолго). Так что по моментномощностным характеристикам схема сиротская, да и дорогая в реализации.
Рабочая емкость конденсатора Ср равна Ср=4800*(Iф/Uф). Пусковая Сп=2.5-3*Ср. Напряжение на конденсаторе не более 1.2*Uф (на холостом ходу) Применимость, ну... обычно ее и применяют, за неимением лучшего. Реверс тоже осуществляется просто. Переброской тумблера S1.
в) Неполная звезда, достоинства возможность получить пусковой момент больше номинального, теоретически достижимая мощность близка к номинальной (тут есть сомнения, о них в экспериментальной части) на практике в районе 70-75% от номинальной.
Достаточно несложно достигнуть симметрии токов в обмотках (разница в 30-40% во всем диапазоне нагрузок считается нормой) Недостатки соединять уже сложнее, реверс еще сложнее, коденсаторы не всякие подойдут.
Емкость рабочего конденсатора Ср равна Ср=2780*(Iф/Uф). Пусковая Сп=2.5-3*Ср. Если нужно получить пусковые моменты больше номинального пусковую емкость надо увеличивать еще раза в полтора, больше нестОтит, иначе двигатель просто разорвет от ударных токов в пусковой обмотке, да и кнопка долго не протянет. Максимальное напряжение на конденсаторе составляет 2.2*Uф это значит что абы какой кондер поставить нельзя он должен быть расчитан хотябы на 450в, а лучше на 600в.
Это недостаток схемы, однако на практике измереное напряжение на кондесаторе несколько ниже в районе 440в, но и это порядочно. Еше смущение вызывае то что напряжения на последовательно соединенных обмотках делится пополам, что дает около 127в (просто тупо померял в процессе экспериментов) на каждую, а они расчитаны на 220в. и следовательно высказывание из книжек "близкую к номинальной мощность" звучит несколько расплывчато. У мене получается что теряется около 30% мощности даже теоретически. Однако схема всеж намного лучше чем под пунктом б).
г) Это уже плод моей мозговой деятельности, Бегло скажу о достоинствах и недостатках ибо схема имеет ограниченное применение. Это попытка избавится от недогрузки рабочих обмоток по напряжению, достоинства и недостатки выявлены в процессе испытаний. Достоинства отдаваемая мощность двигателя превышает номинальную, пусковые моменты тоже могут превысить номинальный
Недостатки конденсаторы должны быть расчитаны на напряжение такое же как и в схеме в), двигатель в таком режиме перегревается и больше чем 2-3 минуты работать не может, потом надо стынуть. Емкости пусковых и рабочих конденсаторов выбираются как и в схеме в). Применимость схемы где надо включаться редко, но с полной выкладкой, Следовательно за его работой присматривать надо, а то он от усердия пупок надорвать может.
д) Тоже самопридуманая схема, однако показала завидную работоспособность. Достоинства можно затребовать от двигателя мощность как меньше номинальной так и больше! Пусковой момент может быть больше номинального, при получении мощностей в районе номинальных не греется сверх меры.
Недостатки проводов много и запутаться раз плюнуть, еще сложнее реверс, выключатель нужен непростой, требования к конденсаторам как и в схеме в) (важно для реверсирования). Теперь подробней. В работе требуется два рабочих конденсатора, их емкости в общем случае не одинаковы но для простоты можно выбрать и одинаковыми. Емкость Ср=1400*(Iф/Uф) Сп=2-3*Ср. Требования к напряжениям тоже неодинаковы но для простоты можно ориентироваться на 450в. По хорошему емкости должны быть различными ибо в каждой конденсаторной фазе емкость дает сдвиг фаз как бы с разных сторон (тут сложность в формулировках в силу того что в общем то понимаю что происходит (мож и интуитивно), а вот словами сказать сложновато). На эту тему можно подискутировать, однако на практики схема работает. По экспериментальным данным выходит, что емкости одного и другого конденсатора должны быть 1/3 и 2/3 по отношению к общей рабочей.
Попозже опишу экспериментальные результаты и расскажу чего и где. Однако с выбраными выше параметрами схема дает номинальный (или чуть меньший) момент и мощность термин "чуть" в данном случае означает десяток процентов. 

Назад към Мелене на малца и мелачки
Потребители разглеждащи този форум: 0 регистрирани и 1 госта